ROHM Semiconductor BU69090NUX Single-Phase Motor Driver
ROHM Semiconductor BU69090NUX Single-Phase Motor Driver is a 5V full-wave fan motor driver with built-in HALL element. This motor driver provides Auto Gain Control (AGC) function, silent drive by soft switching, and low battery consumption via its standby function. ROHM Semiconductor BU69090NUX motor driver features PWM speed control, lock protection and automatic restart, and quick-start function. This motor driver is suitable for notebook PC cooling fans.Features
- 5V single-phase full-wave FAN motor driver
- Built-in HALL element
- AGC function
- PWM speed control
- Soft switching drive (PWM type)
- Low PWM duty start assist function
- Quick-start function
- Stand-by mode
- Lock protection and automatic restart
- Compact package
- Rotating speed pulse signal (FG) output
Specifications
- 1.8V to 5.5V supply voltage range
- VSON008X2030 package with 2mm x 3mm x 0.6mm dimensions
- 0.16V (typical) output voltage (high and low total) at 0.2A
- -40°C to +85°C operating temperature range
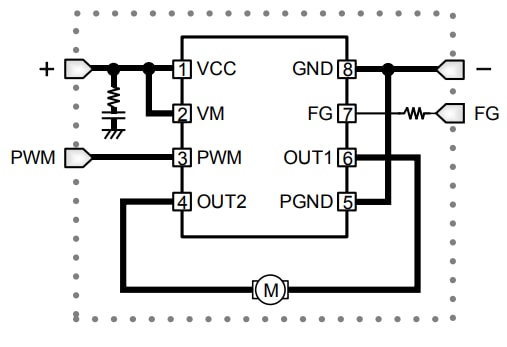
Block Diagram
Application Circuit Diagram
Published: 2020-04-14
| Updated: 2024-09-26
