ROHM Semiconductor BD41033FJ-C Local Interconnect Network Transceiver
ROHM Semiconductor BD41033FJ-C Local Interconnect Network (LIN) Transceiver features low power consumption, low Electro Magnetic Interference (EMI), and high Electro Magnetic Susceptibility (EMS). This transceiver comes with an integrated thermal shutdown function and a transmit data dominant time-out function, and it is resistant to LIN-BAT/GND short circuits. The BD41033FJ-C transceiver offers a maximum transmission rate of 20kbps and functional safety support for automotive products. This transceiver operates within the 5V to 27V supply voltage range and is AEC-Q100 qualified. The BD41033FJ-C transceiver is available in a 4.9mm x 6mm x 1.65mm SOP-J8 package. Typical applications include LIN communication for automotive networks.Features
- AEC-Q100 qualified
- Functional safety support for automotive products
- Low Electro Magnetic Interference (EMI)
- High Electro Magnetic Susceptibility (EMS)
- High impedance at power off for BUS
- Low power consumption in sleep mode
- Transmit data dominant time-out function
- Resistant to LIN-BAT/GND short-circuit
- Integrated thermal shutdown
- Compliant to LIN2.x/ISO17987-4: 2016 (12V)
Specifications
- 20kbps maximum transmission rate
- -27V to 40V absolute maximum voltage ratings of the LIN pin
- Interface voltage to microcontroller corresponds to 3.3V/5V
- 5V to 27V supply voltage range
- 4.9mm x 6mm x 1.65mm SOP-J8 package
Applications
- LIN communication for automotive networks
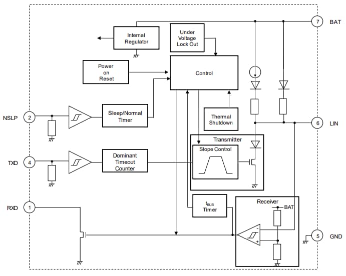
Block Diagram
Typical Application Circuit
Published: 2024-07-24
| Updated: 2024-08-26
