Infineon Technologies TLE4929C Crankshaft Sensors
Infineon Technologies TLE4929C Crankshaft Sensors are fully programmable active Hall sensors that measure the speed and position of tooth/pole wheels. These sensors come with two integrated capacitors on the lead frame that increase the Electro-Magnetic Compatibility (EMC) resistivity of the device. The TLE4929C sensors also employ a pull-up resistor RLoad on the output pin for determination of the maximum current flowing through the output transistor. These sensors also feature robustness over magnetic stray-field, direction detection, and stop-start algorithm, high accuracy, low jitter, and automotive operating temperature range. The TLE4929 sensors are available in two variants such as TLE4929C-XAN-M28 with EEPROM preprogrammed and locked and TLE4929C-XAF-M28 with EEPROM unlocked.Features
- Differential Hall speed sensor to measure speed and position of tooth/pole wheels
- Switching point in the middle of the tooth that enables backward compatibility
- Robustness over magnetic stray-field due to the differential sensing principle
- Digital output signal with programmable output-protocol that includes diagnosis interface
- High sensitivity enable large air gap
- End-of-line programmable
- Serves as a differential camshaft sensor
- Automotive operating temperature range
- Available in a RoHS compliant three-pin package
- Direction detection and Stop-Start-Algorithm
- High accuracy and low jitter
Block Diagram
Application Circuit Diagram
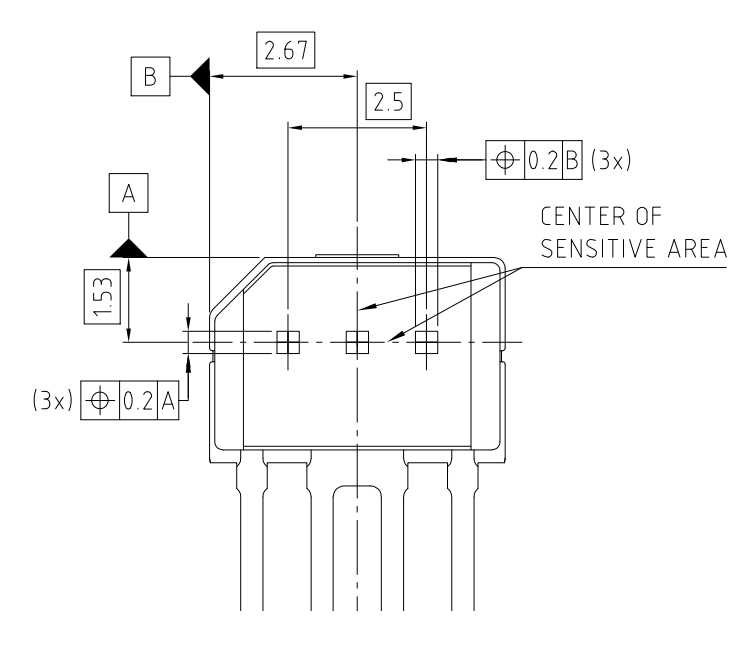
Mechanical Drawing
Published: 2019-01-07
| Updated: 2024-04-01
