Broadcom AFBR-S10RX0x1Z Receivers

Broadcom AFBR-S10RX0x1Z Receivers provide the ability to implement an optical arc flash sensor over 1mm plastic optical fiber (POF). These receivers utilize ASIC with an integrated photodiode (PD) and trans-impedance amplifier (TIA) into a single IC. The series features a compact versatile link connector system, high EMI robustness, fast slew rate, compact footprint, and temperature-compensated output voltage. Broadcom AFBR-S10RX0x1Z Receivers operate in a -40°C to +85°C temperature range and are ideally suited for arc flash detection applications.

Features

  • Receivers consisting of a PD and a TIA integrated into a single IC
  • Ideal for arc flash detection
  • High EMI robustness
  • Temperature-compensated output voltage
  • Fast slew rate
  • Compact footprint
  • Versatile link connector system
  • -40°C to +85°C operating temperature range
  • RoHS compliant

Block Diagram

Block Diagram - Broadcom AFBR-S10RX0x1Z Receivers

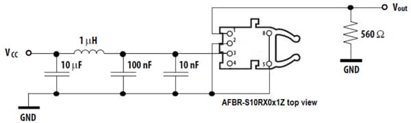
Recommended Application Circuit

Application Circuit Diagram - Broadcom AFBR-S10RX0x1Z Receivers
Published: 2019-02-26 | Updated: 2023-07-03