Analog Devices / Maxim Integrated MAX1769x No-Opto Isolated Flyback Converters
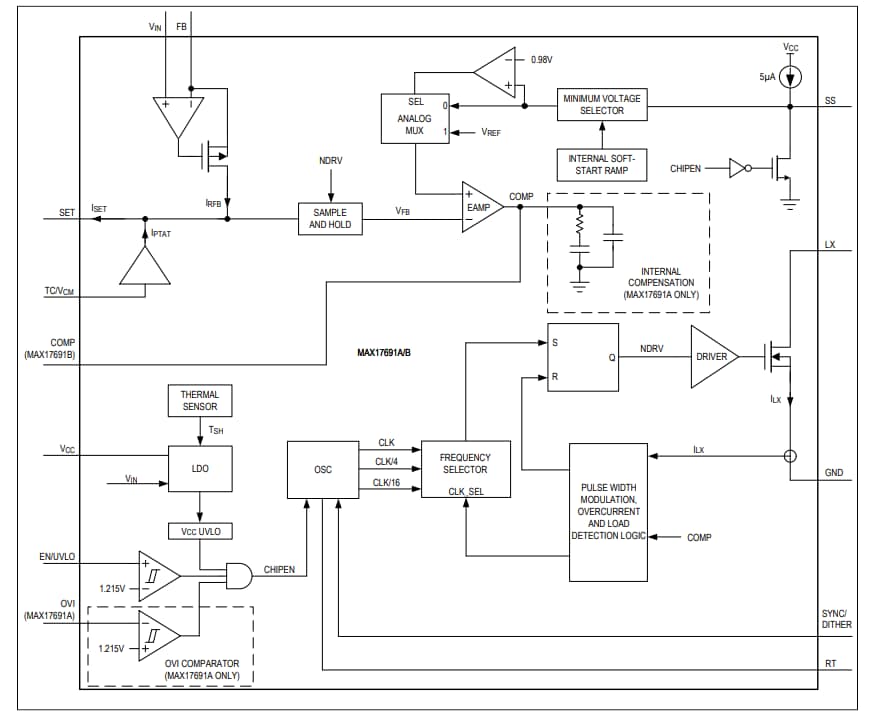
Analog Devices Inc. MAX1769x No-Opto Isolated Flyback Converters are high-efficiency flyback converters that use fixed frequency peak current mode control. These devices sense the isolated output voltage directly from the primary-side flyback waveform during the secondary-side rectifier conduction. The MAX1769x features a low RDSON, 76V, and 205mΩ integrated nMOSFET primary switch. These flyback converters are designed to operate over the 4.2V to 60V supply voltage range. The MAX1769x converters provide 100kHz to 350kHz programmable switching frequency range and EN/UVLO that allows turning ON/OFF the power converter precisely at the desired input voltage.ADI MAX1769x supports external clock synchronization to avoid low-frequency beats on the input bus in systems with multiple converters. These devices have programmable frequency dithering for low-EMI and spread-spectrum operation. The MAX1769x converters allow temperature compensation for variations in the output rectifier diode forward voltage drop. These converters feature robust hiccup protection, thermal protection and operate at the -40°C to 125°C temperature range. Typical applications include isolated power supplies, industrial and telecom applications, PLC I/O modules, and IGBT gate drive supplies.
Features
- Reduces external components and total cost:
- Eliminates the optocoupler and secondary-side error amplifier
- Up to 20% space savings
- 76V and low RDS(ON) integrated MOSFET
- Internal loop compensation (MAX17691A)
- Built-in soft-start
- Reduces power dissipation:
- > 90% efficiency
- Delivers up to 7.5W output power
- Frequency fold-back enables enhanced light-load efficiency
- Supports key system-level design requirements:
- Frequency dithering supports low-EMI and spread-spectrum operation
- Switching frequency synchronization
- Compliant with CISPR22 ClassB EMI requirements
- Operates reliably in adverse environments:
- Optional output voltage temperature compensation
- Hiccup current-limit protection
- Programmable EN/UVLO threshold
- Input Over-voltage (OVI) protection (MAX17691A)
- Over-temperature protection
Applications
- Isolated power supplies
- PLC I/O modules
- IGBT gate drive supplies
- Industrial and telecom applications
Specifications
- -40°C to 125°C ambient operating temperature range
- -40°C to 150°C junction temperature range
- 4.2V to 60V supply voltage range
- 2.5µA shutdown current
Block Diagram
Typical Application Circuit
Published: 2021-03-31
| Updated: 2025-05-22
