Analog Devices / Maxim Integrated DS1091L Spread-Spectrum EconOscillator™

Analog Devices Inc. DS1091L Spread-Spectrum EconOscillator™ is a 3V all-silicon center spread clock generator to reduce EMI in the automotive temperature range. This ADI device is factory-trimmed to output frequencies from 130kHz to 66.6MHz with a nominal accuracy of ±0.25%. ADI DS1091L EconOscillator can also produce a center- or down-dithered spread-spectrum output with pin-selectable dither magnitude and rate. The DS1091L is designed to operate with a 3V to 3.6V power supply over a temperature range of -40°C to +125°C. This ADI device is ideal for use in automotive infotainment and industrial control applications.

Features

  • Spread-spectrum clock output from 130kHz to 66.6MHz
  • -40°C to +125°C Operating temperature range
  • ±1.75% Accuracy across temperature and voltage
  • Factory trimmed
  • Center-dithered (DS1091LUA) or down-dithered (DS1091LUB) spread-spectrum output
  • Pin-selectable center-dither magnitude of 0%, ±1%, ±2%, or ±4%
  • Pin-selectable down-dither magnitude of 0%, -2%, -4%, or -8%
  • Pin-selectable dither rate
  • 3.0V to 3.6V Supply operation

Applications

  • Automotive infotainment
  • POS terminals
  • LCD displays
  • Printers
  • Industrial control

Block Diagram

Block Diagram - Analog Devices / Maxim Integrated DS1091L Spread-Spectrum EconOscillator™

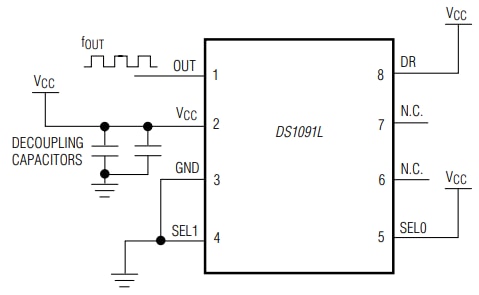
Typical Operating Circuit

Application Circuit Diagram - Analog Devices / Maxim Integrated DS1091L Spread-Spectrum EconOscillator™
Published: 2012-04-10 | Updated: 2023-04-12