Analog Devices Inc. ADuM5401x Quad-Channel Digital Isolators

Analog Devices Inc. ADuM5401x Quad-Channel Digital Isolators with an isoPower® integrated and isolated DC-to-DC converter are based on iCoupler® technology. The DC-to-DC converter provides up to 500mW of regulated, isolated power at either 5V or 3.3V from a 5V input supply. The iCoupler chip scale transformer technology is used to isolate the logic signals and the power and feedback paths in the DC-to-DC converter. Analog Devices ADuM5401x Quad-Channel Digital Isolators provide four independent isolation channels in a variety of channel configurations and data rates. The isoPower uses high-frequency switching elements to transfer power through its transformer. Typical applications include RS-232, RS-422, RS-485 transceivers, industrial PLCs, and isolated sensor interfaces.

Features

  • isoPower integrated and isolated dc-to-dc converter
  • Regulated 3.3V or 5V output
  • Up to 500mW output power
  • Quad DC-to-25Mbps (NRZ) signal isolation channels
  • 16-lead SOIC package with 7.6mm creepage
  • 105°C maximum high-temperature operation
  • >25kV/μs high common-mode transient immunity 
  • Safety and regulatory approvals:
    • UL recognition
      • 2500Vrms for 1 minute per UL 1577
    • CSA component acceptance notice 5A
    • VDE certificate of conformity
      • IEC 60747-5-2 (VDE 0884, Part 2)
      • VIORM = 560V peak

Applications

  • RS-232/RS-422/RS-485 transceivers
  • Industrial fieldbus isolation
  • Isolated sensor interfaces
  • Power supply start-up bias and gate drives
  • Industrial PLCs

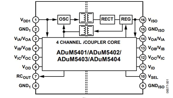
Block Diagram

Block Diagram - Analog Devices Inc. ADuM5401x Quad-Channel Digital Isolators

Dimensions

Mechanical Drawing - Analog Devices Inc. ADuM5401x Quad-Channel Digital Isolators
Published: 2019-10-16 | Updated: 2024-03-06