Allegro MicroSystems A89103 3-Phase Battery Isolator MOSFET Drivers
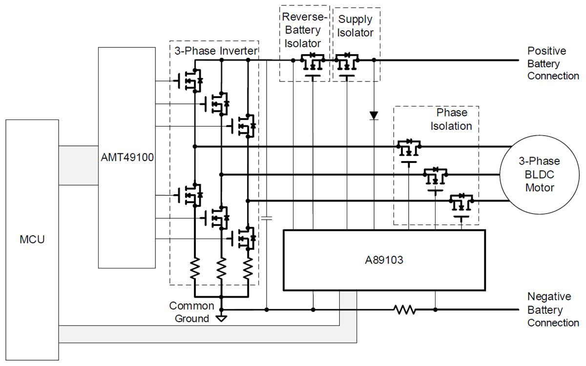
Allegro MicroSystems A89103 3-Phase Battery Isolator MOSFET Drivers are N-channel power MOSFET drivers capable of controlling five MOSFETs to provide motor-phase and supply isolation in three-phase BLDC applications. Three floating gate-drive outputs maintain phase-isolator power MOSFETs in the on state, over the entire supply range, with high phase voltage and dv/dt on the motor-phase connection for 12V and 48V systems. Two additional floating gate drivers are provided to isolate the battery supply voltage during reverse battery or short-circuit conditions. The A89103 supports both source-to-source and drain-to-drain battery MOSFET isolation. An integrated charge-pump regulator provides the above-battery-supply voltage necessary to maintain the power N-channel MOSFETs in the on state continuously. The charge pump maintains sufficient gate drive power (>7.5V) for battery voltages down to 4.5V with 100kΩ gate-source resistors.The SPI interface configures, monitors, and controls the five floating gate drives. When not in use, the A89103 can be placed in a low-power sleep mode. Undervoltage monitors check that the pumped supply voltage and the gate drive outputs are high enough to ensure that the MOSFETs are maintained in a safe conducting state. The A89103 is supplied in a 28-contact wettable-flank quad flat no-lead (QFN) package (suffix ET) and 28-contact wettable-flank QFN (suffix EV), both with exposed pads for enhanced thermal dissipation. The Allegro MicroSystems A89103 3-Phase Battery Isolator MOSFET Drivers are lead (Pb) free, with 100% matte tin leadframe plating.
Features
- Automotive AEC-Q100 qualified
- 5x floating N-channel MOSFET drives
- Maintains VGS with 100kΩ gate-source resistors
- Integrated charge pump controller
- 4.5V to 85V supply voltage operating range
- Supports source-to-source and drain-to-drain battery MOSFET isolation
- VCP and VGS undervoltage protection
- +150°C ambient (+165°C junction) continuous
- Fully integrated diagnostics for safe motor phase and battery disconnect
- Extensive programmable diagnostics
- Diagnostic verification
- A2-SIL™ product developed in accordance with ISO 26262 as a hardware safety element out of context with ASIL B capability for use in automotive safety-related systems
- Lead-free
Applications
- 3-phase and battery isolation for ASIL systems up to level B
- Electric power steering (EPS)
- Electric braking (EMB)
- Redundant motor-control systems
Specifications
- 3.3V or 5V typical I/O logic voltage options
- 200mV to 300mV VDD undervoltage hysteresis
- 2.5MHz to 5.5MHz internal timing clock frequency
- 2µs maximum turn-on rise time
- 0.2µs maximum turn-off fall time
- Propagation delay time
- 0.85µs maximum turn-on
- 0.4µs maximum turn-off
- Turn-on pulse
- 8.5mA to 14.5mA current range
- 16µs to 36µs time range
- 6.5Ω to 13Ω maximum pull-down on-resistance range
- 100kΩ minimum gate drive static load resistor
- Package options
- 5mm x 5mm x 0.75mm 28-contact QFN with exposed thermal pad
- 6mm x 6mm x 0.9mm 28-contact QFN with exposed thermal pad
- ESD ratings
- CDM Class C3, withstand threshold of 1000V, AEC-Q100-011JS-002
- HBM Class 2, withstand threshold of 1500V, AEC-Q100-002/JS-00102017
Typical Application
Block Diagrams
Published: 2024-04-18
| Updated: 2024-08-15
