Advanced Energy AA Series High-Voltage DC-DC Converters

Advanced Energy AA Series High-Voltage DC-DC Converters are 22% smaller than their standard A series counterparts, while producing the same surface-mountability, high reliability, and performance. These single-output high-voltage modules feature a wide input voltage range and provide 4, 20, or 30W of output power. The Advanced Energy DC-DC modules offer indefinite output short-circuit protection and more than 1.25M hour MTBF at 65°C in a fixed-frequency, low-stored-energy design. The AA series is ideal for bias supplies, detectors, piezos, amplifiers, and photomultiplier tubes (PMT).

Features

  • 22% smaller than standard A series
  • Eight models from 0 to 62V through 0 to 6kV
  • 4, 20, or 30W of output power
  • Maximum Iout capability down to 0V
  • Wide input voltage range
  • Indefinite output short-circuit protection
  • Output current and voltage monitors
  • Fixed-frequency, low-stored-energy design
  • 1,250,000 hour MTBF at 65°C (149°F)
  • UL/cUL recognized component; CE Mark (LVD & RoHS)

Applications

  • Bias supplies
  • Detectors
  • Piezos
  • Amplifiers
  • Photomultiplier tubes (PMT)

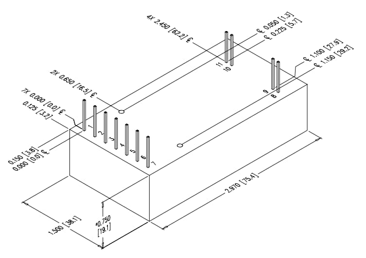
DImensional Drawing

Mechanical Drawing - Advanced Energy AA Series High-Voltage DC-DC Converters
Published: 2018-03-21 | Updated: 2025-01-31